Spare Parts Catalog
Motor
Antriebsriemenscheibe
Auspufftopf
Drosselkörper - Einspritzdüse – Ansaugstutzen
Einhait Kopf - Ventil
Einheit Getriebe
Einheit Zylinder-Kolben-Kolbenbolzen
Getriebene riemenscheeiben
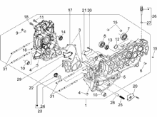
KURBELGEHÄUSE
Kurbelwelle
Kurbelwelledeckel - Kühlung kurbelgehäuse
Lichtmaschine
Luftfilter
Motor komplett
Schwinghebelhalterung
Schwungraddeckel - Ă–lfilter
Starter - Elektrischer starter
Zylinderkopfabdeckung
Ă–lpumpe
Hinterbremse - Bremsbackensatzen
Bremsanlage - BowdenzĂĽge
Elektrische Anlage
Maintenance
Fahrgestell - Plastformteil - Karosserien
Fahrgestell/Karosserie
Frontschild
Hinterabdeckung - KotflĂĽgellappen
Kippständer/en
Kraftstofftank
Mittlere Verklaidung - FuĂźraster
Plaketten - Verzierungen
Radgehäuse - Radkotflügel
RĂĽckspiegel/n
SchloĂźen
Seitenabdeckung - Spoiler
Sitzbank/Sitzbänke
Vorderes Handschuhfach - Schild-RĂĽckseite
Schutzhelmgehäuse - Untersitz



The information below is required for social login
Sign In
Create New Account