Spare Parts Catalog
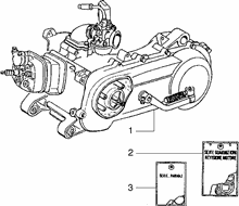
Motor
Bremsanlage - BowdenzĂĽge
Lenker/Lenkung
Elektrische Anlage
Fubbrett
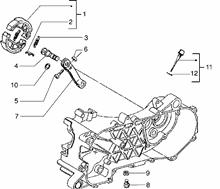
Bremsbelege hinten
Auspufftopf
Fahrgestell/Karosserie
Kraftstofftank
Oltank
Benzinstandanzeiger
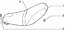
Sitz
Staubschutzscheibe-o-ring
Hauptständer
Staukoffer
SchlieĂźvorrichtung kotflĂĽgel
Vergaserkomponenten
Vergaserkomponenten
Lenkerabdeckung
KotflĂĽgel-rad
Verzierung Replicafassung (2004)
Maintenance
Fahrgestell - Plastformteil - Karosserien
Bremstrommel hinterrad
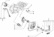
Anlassermotor
Wechselrad
KlĂĽhlhaube-hauptlager
Kurbelwelle-pleuelstange-kurbelzapfen einheit
Schaltgabel
Lichtmaschine
StoĂźabfangendes vorgelegerad
Befestigung schaltsegment
KURBELGEHÄUSE
Kupplung
Kurbegehäusebefest.
FrischĂ·lautomatik
LÜFTERGEHÄUSEDECKEL-Motorschutz
Elektronische zĂĽndvorrichtung
Motor
Einheit Zylinder-Kolben-Kolbenbolzen
Bauteile luftfilter
Vergaser-luftfilter
Kupplungsdeckel
Starterhebel



The information below is required for social login
Sign In
Create New Account