Spare Parts Catalog
Bremsanlage - BowdenzĂĽge
Lenker/Lenkung
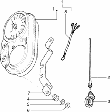
Elektrische Anlage
Fahrgestell - Plastformteil - Karosserien
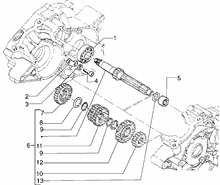
Wechselrad
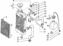
KlĂĽhlhaube-hauptlager
Kurbelwelle-pleuelstange-kurbelzapfen einheit
Schaltgabel
Lichtmaschine
StoĂźabfangendes vorgelegerad
Befestigung schaltsegment
KURBELGEHÄUSE
Kupplung
Kurbegehäusebefest.
LÜFTERGEHÄUSEDECKEL-Motorschutz
Motor
Einheit Zylinder-Kolben-Kolbenbolzen
Bauteile luftfilter
Kupplungsdeckel
Starterhebel



The information below is required for social login
Sign In
Create New Account