Spare Parts Catalog
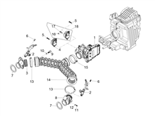
MOTOR
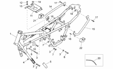
RAHMEN
ZĂĽndung Digiplex
Batterie - ZĂĽndung Motoplat
Elektrische Anlage
Suitcase kit
Elektrische anlage I
Schwinge
Fussrasten - Ständer
Lenker
Verkleidung
Vorderradbremspumpe
Hinterradbremspumpe
Instrumententafel
Hinterrad
Teilerradsatz
Aufbau
RĂĽcklicht
Bremszange
Schutzbleche vo.-hi.
Stroboskopleuchte VAMA
Scheinwerfer-Hupe
"Sonora"- Zweitonsirenen
Fahrgestell/Karosserie
Einspeisung
Elektrische Anlage "Digiplex"
Aufhängung Vorn-Hinten
Hinterleuchten
Einspeisung
Auslassgruppe
Elektrische anlage I
SchloĂźen



The information below is required for social login
Sign In
Create New Account