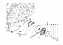
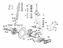
Ersatzteilkatalog

  1. Ersatzteilkatalog
  2. Vespa
  3. Vespa LX 125
  4. Vespa LX 125 4T NOABS E3 2009 (EMEA)

Maintenance