Ersatzteilkatalog
Motor
Antriebsriemenscheibe
Auspufftopf
Drosselkörper - Einspritzdüse – Ansaugstutzen
Einhait Kopf - Ventil
Einheit Getriebe
Einheit Zylinder-Kolben-Kolbenbolzen
Getriebene riemenscheeiben
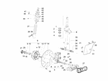
KURBELGEHÄUSE
Kurbelwelle
Kurbelwelledeckel - Kühlung kurbelgehäuse
Lichtmaschine
Luftfilter
Motor komplett
Schwinghebelhalterung
Schwungraddeckel - Ölfilter
Starter - Elektrischer starter
Zylinderkopfabdeckung
Hinterbremse - Bremsbackensatzen
Bremsanlage - Bowdenzüge
Elektrische Anlage
Maintenance
Fahrgestell - Plastformteil - Karosserien
Fahrgestell/Karosserie
Frontschild
Hinterabdeckung - Kotflügellappen
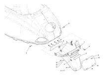
Kippständer/en
Kraftstofftank
Mittlere Verklaidung - Fußraster
Plaketten - Verzierungen
Radgehäuse - Radkotflügel
Rückspiegel/n
Schloßen
Seitenabdeckung - Spoiler
Sitzbank/Sitzbänke
Verdunstungsschutz-Anlage
Vorderes Handschuhfach - Schild-Rückseite
Schutzhelmgehäuse - Untersitz




The information below is required for social login
Anmelden
Neuen Account erstellen