Ersatzteilkatalog

  1. Ersatzteilkatalog
  2. Vespa
  3. Vespa GTS 150
  4. VESPA GTS 150 E5 2023 (APAC)

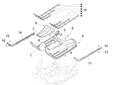
Bremsanlage - Bowdenzüge