Ersatzteilkatalog
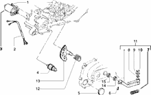
Motor
Bremsanlage - Bowdenzüge
Lenker/Lenkung
Elektrische Anlage
Maintenance
Fahrgestell - Plastformteil - Karosserien
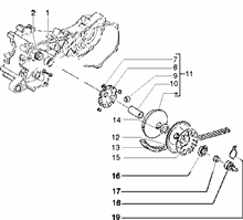
Wechselrad
Klühlhaube-hauptlager
Kurbelwelle-pleuelstange-kurbelzapfen einheit
Schaltgabel
Lichtmaschine
Stoßabfangendes vorgelegerad
Befestigung schaltsegment
KURBELGEHÄUSE
Kupplung
Kurbegehäusebefest.
Frisch÷lautomatik
LÜFTERGEHÄUSEDECKEL-Motorschutz
Elektronische zündvorrichtung
Motor
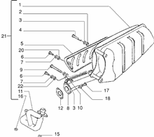
Einheit Zylinder-Kolben-Kolbenbolzen
Kupplungsdeckel
Starterhebel




The information below is required for social login
Anmelden
Neuen Account erstellen