Ersatzteilkatalog
Bremsanlage - Bowdenzüge
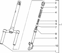
Lenker/Lenkung
Elektrische Anlage
Maintenance
Fahrgestell - Plastformteil - Karosserien
Wechselrad
Vergaserkomponenten
Klühlhaube-hauptlager
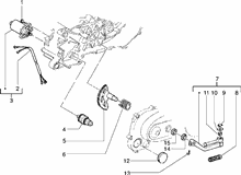
Kurbelwelle-pleuelstange-kurbelzapfen einheit
Schaltgabel
Lichtmaschine
Stoßabfangendes vorgelegerad
Befestigung schaltsegment
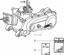
KURBELGEHÄUSE
Kupplung
Kurbegehäusebefest.
Frisch÷lautomatik
LÜFTERGEHÄUSEDECKEL-Motorschutz
Elektronische zündvorrichtung
Vergaserkomponenten
Motor
Einheit Zylinder-Kolben-Kolbenbolzen
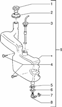
Vergaser-luftfilter
Kupplungsdeckel
Starterhebel




The information below is required for social login
Anmelden
Neuen Account erstellen