Ersatzteilkatalog
Motor
Bremsanlage - Bowdenzüge
Lenker/Lenkung
Elektrische Anlage
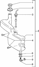
Fahrgestell - Plastformteil - Karosserien
Wechselrad
Klühlhaube-hauptlager
Kurbelwelle-pleuelstange-kurbelzapfen einheit
Schaltgabel
Lichtmaschine
Stoßabfangendes vorgelegerad
Befestigung schaltsegment
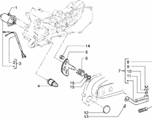
KURBELGEHÄUSE
Kupplung
Kurbegehäusebefest.
Frisch÷lautomatik
LÜFTERGEHÄUSEDECKEL-Motorschutz
Elektronische zündvorrichtung
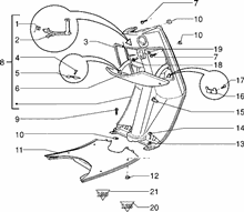
Motor
Einheit Zylinder-Kolben-Kolbenbolzen
Vergaser-luftfilter
Kupplungsdeckel
Starterhebel




The information below is required for social login
Anmelden
Neuen Account erstellen