Ersatzteilkatalog
Bremsanlage - Bowdenzüge
Elektrische Anlage
Maintenance
Fahrgestell - Plastformteil - Karosserien
Wechselrad
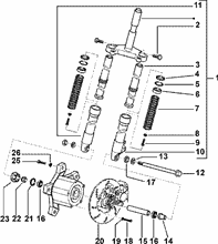
Klühlhaube-hauptlager
Kurbelwelle-pleuelstange-kurbelzapfen einheit
Schaltgabel
Lichtmaschine
Stoßabfangendes vorgelegerad
Befestigung schaltsegment
KURBELGEHÄUSE
Kupplung
Kurbegehäusebefest.
Frisch÷lautomatik
LÜFTERGEHÄUSEDECKEL-Motorschutz
Elektronische zündvorrichtung
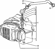
Vergaserkomponenten
Motor
Einheit Zylinder-Kolben-Kolbenbolzen
Bauteile luftfilter
Vergaser-luftfilter
Kupplungsdeckel
Starterhebel
Vergaser (Dell'Orto)




The information below is required for social login
Anmelden
Neuen Account erstellen