Ersatzteilkatalog

  1. Ersatzteilkatalog
  2. Piaggio
  3. Liberty 50
  4. Liberty 50 2T MOC 2009-2013 (EMEA)

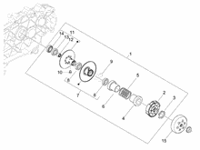
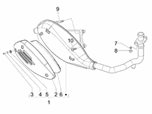
Maintenance