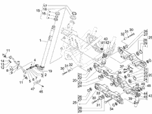
Ersatzteilkatalog

  1. Ersatzteilkatalog
  2. Piaggio
  3. MP3 125
  4. MP3 125 ie 2008-2011 (EMEA)

Maintenance