Ersatzteilkatalog
Motor
Antriebsriemenscheibe
Auspufftopf
Drosselkörper - Einspritzdüse – Ansaugstutzen
Einhait Kopf - Ventil
Einheit Getriebe
Einheit Zylinder-Kolben-Kolbenbolzen
Getriebene riemenscheeiben
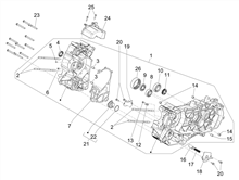
KURBELGEHÄUSE
Kurbelwelle
Kurbelwelledeckel - Kühlung kurbelgehäuse
Lichtmaschine
Luftfilter
Motor komplett
Schwinghebelhalterung
Schwungraddeckel - Ölfilter
Zylinderkopfabdeckung
Ölpumpe
Wasserpumpe
Bremsanlage - Bowdenzüge
Elektrische Anlage
Fahrgestell - Plastformteil - Karosserien
Fahrgestell/Karosserie
Frontschild
Hinterabdeckung - Kotflügellappen
Hinterer Gepäckträger
Kraftstofftank
Mittlere Verklaidung - Fußraster
Plaketten - Verzierungen
Radgehäuse - Radkotflügel
Rückspiegel/n
Schloßen
Seitenabdeckung - Spoiler
Sitzbank/Sitzbänke
Verdunstungsschutz-Anlage
Vorderes Handschuhfach - Schild-Rückseite
Kühlunganlage
Windschutzscheibe - Scheiben
Voderer Gepäckträger




The information below is required for social login
Anmelden
Neuen Account erstellen