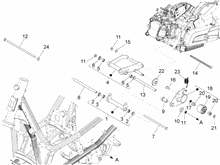
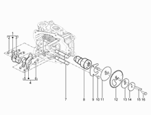
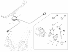
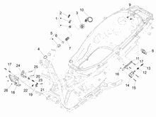
Ersatzteilkatalog

  1. Ersatzteilkatalog
  2. Piaggio
  3. X10 125
  4. X10 125 4T 4V I.E. E3 2012-2015 (EMEA)

Maintenance