Ersatzteilkatalog
Motor
Antriebsriemenscheibe
Einhait Kopf - Ventil
Einheit Zylinder-Kolben-Kolbenbolzen
Getriebene riemenscheeiben
KURBELGEHÄUSE
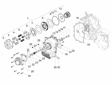
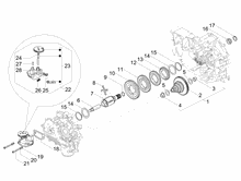
Kurbelwelle
Kurbelwelledeckel - Kühlung kurbelgehäuse
Motor komplett
Schwinghebelhalterung
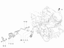
Starter - Elektrischer starter
Zylinderkopfabdeckung
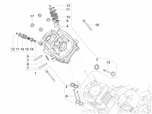
Ölpumpe
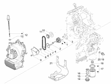
Wasserpumpe
04_Kurbelwelle
Motor komplett
03_Zylinderblock
Kolbeneinheit
17_Wasserpumpe
Zylinderblock
Bremsanlage - Bowdenzüge
Lenker/Lenkung
Elektrische Anlage
Fahrgestell - Plastformteil - Karosserien
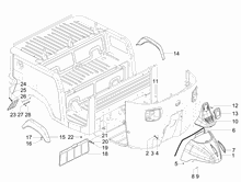
Fahrgestell/Karosserie
Kippständer/en
Kippständer/en
Mittlere Verklaidung - Fußraster
Plaketten - Verzierungen
Radgehäuse - Radkotflügel
Sattel - Werkzeugtasche
Schutzhelmgehäuse - Untersitz
Seitenabdeckung - Spoiler
Ladeflächenbauteile
Offene Ladefläche - Ladeklappen
Offene Ladefläche - (Tipper)
Ladeflächen-Bordwände (Tipper)
Isolierpaneele - Zierleisten
Bordwande
Hinteres Bodenpaneel




The information below is required for social login
Anmelden
Neuen Account erstellen