Ersatzteilkatalog
Motor
Auspufftopf
Drosselkörper - Einspritzdüse – Ansaugstutzen
Einhait Kopf - Ventil
Einheit Zylinder-Kolben-Kolbenbolzen
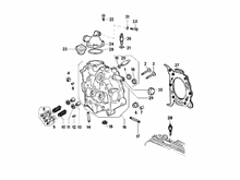
KURBELGEHÄUSE
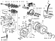
Kurbelwelle
Kurbelwelledeckel - Kühlung kurbelgehäuse
Lichtmaschine
Luftfilter
Schwinghebelhalterung
Schwungraddeckel - Ölfilter
Starter - Elektrischer starter
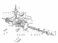
Ölpumpe
Wasserpumpe
Hinterachsantrieb
Schaltgetriebe
Motor komplett
03_Zylinderblock
Durchflussregler
Interne Schaltsegmente
Bremsanlage - Bowdenzüge
Elektrische Anlage
Fernschalteren - Batterie - Hupe
Hauptkabelbaum
Hinterleuchten - Blinkleuchten
Spannungsreglerern - Elektronisches Steuergerern - Zündspule
Vorderleuchten - Blinkleuchten
Wechselschalter - Umschalter - Druckschalter - Schalter
Vorderleuchten - Blinkleuchten
Elektrische Vorrichtungen
Elektrische Vorrichtungen (VME)
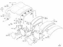
Fahrgestell - Plastformteil - Karosserien
Fahrgestell/Karosserie
Hinterabdeckung - Kotflügellappen
Kraftstofftank
Plaketten - Verzierungen
Radgehäuse - Radkotflügel
Rückspiegel/n
Schloßen
Seitenabdeckung - Spoiler
Sitzbank/Sitzbänke
Benrin-einspritzanlage
Kühlunganlage
Windschutzscheibe - Scheiben
Verkleidungen vorne - Spritzschutz
Hinterer Gepäckträger
Sattel - Werkzeugtasche
Innenverkleidungen
Offene Ladefläche - Ladeklappen




The information below is required for social login
Anmelden
Neuen Account erstellen