Ersatzteilkatalog
Motor
Antriebsriemenscheibe
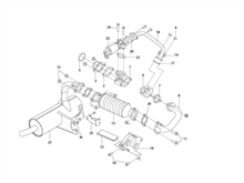
Drosselkörper - Einspritzdüse – Ansaugstutzen
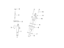
Einhait Kopf - Ventil
Einheit Getriebe
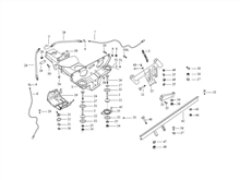
KURBELGEHÄUSE
Kurbelwelledeckel - Kühlung kurbelgehäuse
Lichtmaschine
Motor komplett
Schwungraddeckel - Ölfilter
Hinterachsantrieb
Schaltgetriebe
04_Kurbelwelle
03_Zylinderblock
Kolbeneinheit
17_Wasserpumpe
Zylinderblock
Drosselkörper und Einspritzdüsen
Lichtmaschine
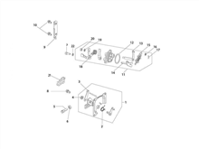
Getriebegehäuse
Einlass- und Auslassstutzen
Vorderachsantrieb
Bremsanlage - Bowdenzüge
Lenker/Lenkung
Elektrische Anlage
Fahrgestell - Plastformteil - Karosserien
Fahrgestell/Karosserie
Mittlere Verklaidung - Fußraster
Radgehäuse - Radkotflügel
Schloßen
Seitenabdeckung - Spoiler
Mittlere Verklaidung - Fußraster
Radgehäuse - Radkotflügel
Rückspiegel
Sattel - Werkzeugtasche
Seitenabdeckung - Spoiler
Vorderes Handschuhfach - Schild-Rückseite
Innenverkleidungen
Offene Ladefläche - (Tipper)
Fensterheber vorne und hinten




The information below is required for social login
Anmelden
Neuen Account erstellen