Ersatzteilkatalog
Motor
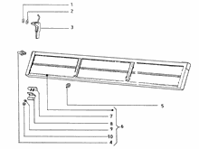
Fubbrett
Vorderradkotflügel
Bremszange
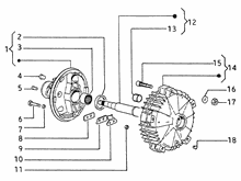
Bremsbelege hinten
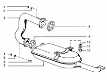
Auspufftopf
Bremstrommel hinterrad
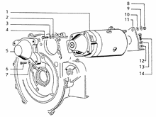
Anlassermotor
Fahrgestell/Karosserie
Kraftstofftank
Oltank
Benzinstandanzeiger
Stoßdämpfer hinten
Stossdämpfer vorderer
Sitz
Staubschutzscheibe-o-ring
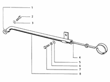
Hauptständer
Staukoffer
Schließvorrichtung kotflügel
Lenker-km-zähler
Wechselrad
Vergaserkomponenten
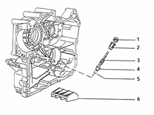
Klühlhaube-hauptlager
Kurbelwelle-pleuelstange-kurbelzapfen einheit
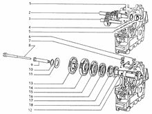
Schaltgabel
Lichtmaschine
Stoßabfangendes vorgelegerad
Befestigung schaltsegment
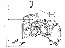
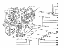
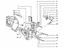
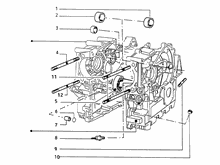
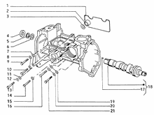
KURBELGEHÄUSE
Kupplung
Kurbegehäusebefest.
Frisch÷lautomatik
LÜFTERGEHÄUSEDECKEL-Motorschutz
Elektronische zündvorrichtung
Vergaserkomponenten
Motor
Einheit Zylinder-Kolben-Kolbenbolzen
Bauteile luftfilter
Vergaser-luftfilter
Kupplungsdeckel
Starterhebel
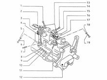
Lenkung
Schaltgriff
Lagerungen steuerrohr-diebstahlssicherung
Lenkerabdeckung
Kotflügel-rad
Vordere trommel
Fahrgestell - Plastformteil - Karosserien
Fussbremspedal
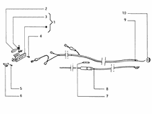
Gasseil-Kupplungsseil
Schaltzug-vorderradbremszug
Bremsenkit
Getriebekit
Bowdenzüge Hintere bremse-km-zähler-starter
Elektrische Vorrichtungen
Rücklicht
Scheinwerfereinheit
Rad
Schilden
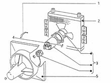
Heizungseinheit
Heizungsrohre
Pick-Up Pritche (Aluminiun)
Sonnenschutz
Pritsche
Rückwand
Bordwände
Vorwärmvorrichtung - Spannungsregler
Huper
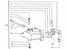
Ölpumpe-Verteiler
Abweisergruppe
Zugstange auf getriebeseite (lenkrad)
Scheinwerfer-blinker
Handgriffe
Pedale (lenkrad)
Vorwärmvorrichtung-spannungsregler-fernschalter
Blinkerschalter-bremskontakt
Verteilerbüchse-mikrounterbrecher-sicherungshalter
Befestigung positivkabel
Kastenaufbau
Handbremszug
Seilzüge (lenker)
Hebeleinheit
Befestigung des bremszylinder und bremspedal (lenker)
Hauptbremszylinder
Stoßdämpfer hinten
Befestigung hintere trommel
Bremsbelege hinten
Schaltzug rückwärtsgang (lenker)
Hinterer radbremszylinder
Kleine nabe hinterrad
Scheibenwischer-innenraumbeleuchtung
Rad (lenker)
Bremsolbehalter
Rad (lenkrad)
Schalthebel (lenkrad)
Pritsche
Bordwande
Seilzüge (lenkrad)




The information below is required for social login
Anmelden
Neuen Account erstellen