Ersatzteilkatalog
Motor
Auspufftopf
Einheit Zylinder-Kolben-Kolbenbolzen
KURBELGEHÄUSE
Kurbelwelle
Kurbelwelledeckel - Kühlung kurbelgehäuse
Lichtmaschine
Luftfilter
Zylinderkopfabdeckung
Ölpumpe
Gehäuse nebenluft
Vergaser, komplett - Ansaugstutzen
Vergaserkomponenten
Hinterachsantrieb
Schaltgetriebe
Kupplung
04_Kurbelwelle
Motor komplett
Drosselkörper und Einspritzdüsen
Lichtmaschine
Interne Schaltsegmente
Bremsanlage - Bowdenzüge
Lenker/Lenkung
Elektrische Anlage
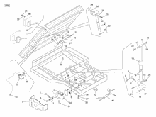
Fahrgestell - Plastformteil - Karosserien
Fahrgestell/Karosserie
Kraftstofftank
Plaketten - Verzierungen
Radgehäuse - Radkotflügel
Rückspiegel/n
Schloßen
Windschutzscheibe - Scheiben
Oltank
Verkleidungen vorne - Spritzschutz
Hinterer Gepäckträger
Mittlere Verklaidung - Fußraster
Radgehäuse - Radkotflügel
Rückspiegel
Seitenabdeckung - Spoiler
Vorderes Handschuhfach - Schild-Rückseite
Offene Ladefläche - Ladeklappen
Vordersitze
Offene Ladefläche - (Tipper)
Bordwande
Fensterheber vorne und hinten
Heizungsanlage
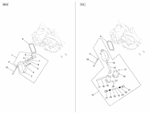
Kippsystem
Kippumpe - Bestandteile




The information below is required for social login
Anmelden
Neuen Account erstellen