Ersatzteilkatalog
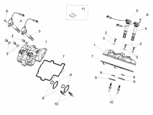
MOTOR
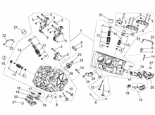
RAHMEN
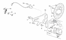
Hinterrad Scheibenbremse
Hinterleuchten
Hinterrad trommelbremse
Vorderradbremszange
Fahrgestell/Karosserie
Hinterrad Scheibenbremse
H.radaufhängung-Pleuelstange
Frontaufbau I
Frontaufbau II
Frontaufbau III
Frontaufbau IV
Fussrasten - Ständer
Heckaufbau I
Heckaufbau II
Lenkstange - Instrumenteneinheit
Schaltungen rechts
Schaltungen links
Deko Anleitung Schilder
Auspufftopf
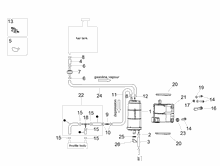
Öl- und Kraftstofftank
Schloßen
Mittlerer aufbau I
Mittlerer aufbau II
Sitz - Gepäckträger
Vorderleuchten
Vorderrad
Filtergehäuse
Auspufftopf
Staukoffer
Rear headlight - Top box
Vorder Elektrische Anlage
Hint.Elektrische Anlage
Vorderradgabel
Blinker
Lichter
Elektrische Anlage
USA version
Secondary air
VDB and Merriman components




The information below is required for social login
Anmelden
Neuen Account erstellen