Ersatzteilkatalog
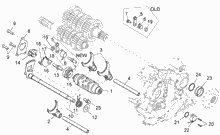
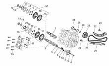
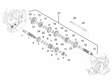
MOTOR
RAHMEN
Hinterrad Scheibenbremse
Hinterleuchten
Hinterrad trommelbremse
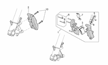
Vorderradbremszange
Fahrgestell/Karosserie
H.radaufhängung-Pleuelstange
Frontaufbau I
Frontaufbau II
Frontaufbau III
Frontaufbau IV
Fussrasten - Ständer
Heckaufbau I
Heckaufbau II
Lenkstange - Instrumenteneinheit
Schaltungen rechts
Schaltungen links
Deko Anleitung Schilder
Auspufftopf
Öl- und Kraftstofftank
Schloßen
Mittlerer aufbau I
Mittlerer aufbau II
Sitz - Gepäckträger
Vorderleuchten
Vorderrad
Filtergehäuse
Auspufftopf
Staukoffer
Rear headlight - Top box
Vorder Elektrische Anlage
Hint.Elektrische Anlage
Vorderradgabel
Blinker
Lichter
USA version
Benzindampfrückf.-Anlage
Secondary air
Ölkühler




The information below is required for social login
Anmelden
Neuen Account erstellen