Ersatzteilkatalog
MOTOR
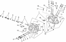
RAHMEN
Hinterleuchten
Fahrgestell/Karosserie
Hinterrad Scheibenbremse
H.radaufhängung-Pleuelstange
Frontaufbau I
Frontaufbau II
Frontaufbau III
Frontaufbau IV
Fussrasten - Ständer
Heckaufbau I
Heckaufbau II
Lenkstange - Instrumenteneinheit
Schaltungen rechts
Schaltungen links
Deko Anleitung Schilder
Auspufftopf
Schloßen
Mittlerer aufbau I
Mittlerer aufbau II
Sitz - Gepäckträger
Vorderleuchten
Vorderrad
Filtergehäuse
Auspufftopf
Staukoffer
Rear headlight - Top box
Vorder Elektrische Anlage
Hint.Elektrische Anlage
Vorderradgabel
USA version
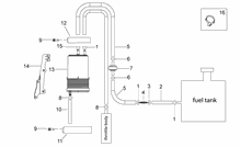
Benzindampfrückf.-Anlage
Secondary air
Benzindampfrückf.-Anlage I
Benzindampfrückf.-Anlage
Secondary air
Canister halte USA
VDB and Merriman components




The information below is required for social login
Anmelden
Neuen Account erstellen