Ersatzteilkatalog
Motor
Fuel Injection
Vorderes Schutzblech-Stütze
Windschild / Windschutzscheibe
Fahrgestell/Karosserie
Fussrasten
Hauptständer
Stoßdämpfer
Frontplatte und Windschutzscheibe
Benzindampfrückf.-Anlage
Bremsanlage - Hinten
Bremsanlage ABS
Deko
Elektrische Anlage
Instrumentierung
Instrumente
Kühlunganlage
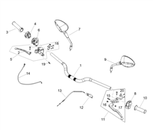
Lenker und habel
Lichter
Frontaufbau
Tank
Kabelbaum
Lenker/Lenkung
Auspufftopf
Filtergehäuse
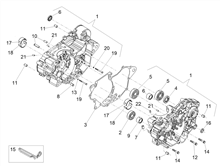
Gehäuse I
Tachoritzel
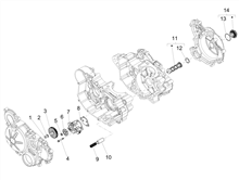
Kupplung
Kupplungsdeckel
Kurbelwelle
Motor-Fertigstellung
Feststellbremse
Lenkradartikulation
Schwungmagnetstarter / Zündung
Achswelle
Bremsverstärker
Zylinder - Kolben
Zylinderkopf - ventile
Schalthebel
Ölpumpe
Zuenderdeckel
Zündung / Elektrischer Anfang




The information below is required for social login
Anmelden
Neuen Account erstellen