Ersatzteilkatalog
- Ersatzteilkatalog
- aprilia
- SPORT CITY 125-200-250
- Sport City 125-200-250 E3 2006-2008 (APAC, EMEA, NAFTA)
MOTOR
KURBELGEHÄUSE
Zylinder - Kolben
Wandler
Schwungrad
Endübersetzung
Vergaser
KURBELGEHÄUSE
Vergaser
Zündgruppe
Klappenkörper
Zündgruppe
Startermotor
Kupplung
Einspeisung - Ölpumpe
Vergaser
Starterrad - startermotor
Zündung
Wasserpumpe
Kupplung
Ölpumpe
Abtriebswelle
Benzindampfrückf.-Anlage II
Wandlergruppe
RAHMEN
Hinterleuchten
Hinterrad trommelbremse
Fahrgestell/Karosserie
Hinterrad Scheibenbremse
H.radaufhängung-Pleuelstange
Frontaufbau I
Frontaufbau II
Frontaufbau III
Frontaufbau IV
Fussrasten - Ständer
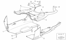
Heckaufbau I
Heckaufbau II
Lenkstange - Instrumenteneinheit
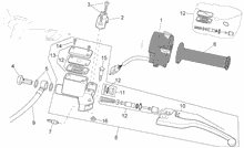
Schaltungen rechts
Schaltungen links
Auspufftopf
Öl- und Kraftstofftank
Mittlerer aufbau I
Mittlerer aufbau II
Sitz - Gepäckträger
Vorderleuchten
Vorderrad
Filtergehäuse
Auspufftopf
Staukoffer
Rear headlight - Top box
Vorderradgabel
Schloßen
Schilden
Blinker
Lichter
Deko und bed./wart.- Anleitung
Elektrische Anlage
Elektrische anlage I
Hinterradzange
Staukoffer
Scheinwerfer
MotoRally Version




The information below is required for social login
Anmelden
Neuen Account erstellen