Ersatzteilkatalog
Motor
Antriebsriemenscheibe
Einhait Kopf - Ventil
Einheit Zylinder-Kolben-Kolbenbolzen
Getriebene riemenscheeiben
KURBELGEHÄUSE
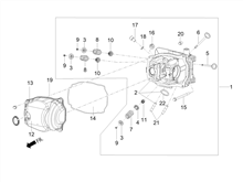
Kurbelwelle
Kurbelwelledeckel - Kühlung kurbelgehäuse
Motor komplett
Schwinghebelhalterung
Starter - Elektrischer starter
Zylinderkopfabdeckung
Ölpumpe
Wasserpumpe
04_Kurbelwelle
Motor komplett
03_Zylinderblock
Kolbeneinheit
17_Wasserpumpe
Zylinderblock
16_Öl-Kühlkreis
Fahrgestell - Plastformteil - Karosserien
Fahrgestell/Karosserie
Frontschild
Kippständer/en
Windschutzscheibe - Scheiben
Frontschild
Hinterabdeckung - Kotflügellappen
Hinterer Gepäckträger
Kippständer/en
Mittlere Verklaidung - Fußraster
Plaketten - Verzierungen
Radgehäuse - Radkotflügel
Rückspiegel
Sattel - Werkzeugtasche
Schloßen
Schutzhelmgehäuse - Untersitz
Seitenabdeckung - Spoiler
Vorderes Handschuhfach - Schild-Rückseite
Ladeflächenbauteile
Offene Ladefläche - Ladeklappen
Offene Ladefläche - (Tipper)
Ladeflächen-Bordwände (Tipper)
Isolierpaneele - Zierleisten
Bordwande
Hinteres Bodenpaneel
Fensterheber vorne und hinten
Kippsystem
Kippumpe - Bestandteile
Aufbau offen (Kipper Seitenwände aus Legierung)




The information below is required for social login
Anmelden
Neuen Account erstellen