Ersatzteilkatalog
Tafeln
Lenkstange - Schaltungen
Vorderrad
Gepäckträger
Hinterleuchten
Hinterrad
Zylind. - Kopf - Kolb.
Fahrgestell/Karosserie
Lichtmaschine
Vergaser
Instrumente
Tank
Übersetzung
Vorderradkotflügel
Vorderradgabel
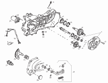
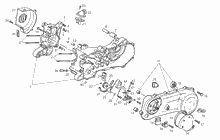
Motor gheäuse
Vorderleuchten
Schwinge - Stoßdämpfer
Wandler
Auslassgruppe
Startergruppe
Zubehör




The information below is required for social login
Anmelden
Neuen Account erstellen