Ersatzteilkatalog
Maintenance
Tafeln
Getriebekit
Bremsenkit
Vorderrad
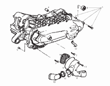
Zylinderkopf - Zylinder - Kolben
Wandler
Vergaser
Motor gheäuse
Übersetzung
Zubehör
Startergruppe
Hinterrad
Instrumente
Kupplungsdeckel
Hülse
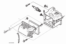
Lichtmaschine
Lichtmaschine
Auslassgruppe
Ölpumpe
Lichtmaschine
Startergruppe
Vergaser
Spezialwerkzeug
Hinterleuchten
Lenkstange - Schaltungen
Vorderleuchten
Vorderradgabel
Fahrgestell/Karosserie
Schutzbleche
Tank




The information below is required for social login
Anmelden
Neuen Account erstellen