Ersatzteilkatalog
Maintenance
Tafeln
Getriebekit
Bremsenkit
Vorderrad
Zylinderkopf - Zylinder - Kolben
Wandler
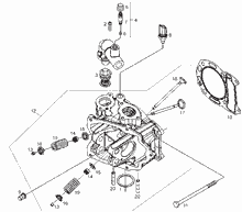
Vergaser
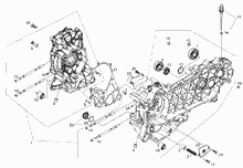
Motor gheäuse
Übersetzung
Zubehör
Startergruppe
Hinterrad
Instrumente
Kupplungsdeckel
Hülse
Lichtmaschine
Lichtmaschine
Auslassgruppe
Auslassgruppe
Zubehör
Ölpumpe
Lichtmaschine
Startergruppe
Vergaser
Spezialwerkzeug
Hinterleuchten
Lenkstange - Schaltungen
Vorderleuchten
Vorderradgabel
Fahrgestell/Karosserie
Spezialwerkzeug
Schutzbleche
Scheinwerfer
Tank




The information below is required for social login
Anmelden
Neuen Account erstellen