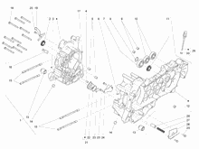
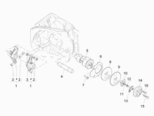
Ersatzteilkatalog

  1. Ersatzteilkatalog
  2. DERBI
  3. SONAR 150
  4. Sonar 150 4T 2009 (EMEA)

Maintenance