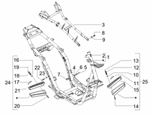
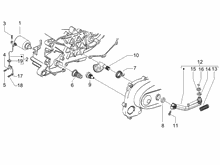
Ersatzteilkatalog

  1. Ersatzteilkatalog
  2. GILERA
  3. Runner 50
  4. Runner 50 SP 2010-2017

Maintenance