Ersatzteilkatalog
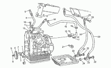
MOTOR
RAHMEN
Vorderrad II
Luftfilter
Vorderrad
Batterie - Zündung Motoplat
Elektrische Anlage
Suitcase kit
Schwinge
Fussrasten - Ständer
Lenker
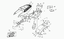
Verkleidung
Bremsanlage - Hinten
Vorderradbremspumpe
Vorderradgabel
Hinterradbremspumpe
Instrumententafel
Hinterrad
Teilerradsatz
Aufbau
Rücklicht
Bremszange
Auslassgruppe
Schutzbleche vo.-hi.
Stroboskopleuchte VAMA
Scheinwerfer-Hupe
Fahrgestell/Karosserie
Einspeisung
Lenkstange - Schaltungen




The information below is required for social login
Anmelden
Neuen Account erstellen