Ersatzteilkatalog

  1. Ersatzteilkatalog
  2. MOTO GUZZI
  3. CALIFORNIA
  4. California 1400 Custom E3 ABS 2012-2013 (APAC, EMEA, NAFTA)

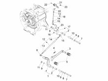
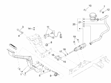
Bremsanlage - Bowdenzüge

10_Bremsanlage