Ersatzteilkatalog

  1. Ersatzteilkatalog
  2. MOTO GUZZI
  3. CALIFORNIA
  4. California 1400 Turkmenistan E4 ABS 2021

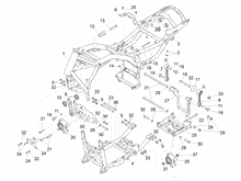
Bremsanlage - Bowdenzüge

10_Bremsanlage