Ersatzteilkatalog
MOTOR
RAHMEN
Vorderrad II
Zündung Digiplex
Vorderrad
Elektrische anlage I
Fussrasten - Ständer
Lenker
Bremsanlage - Hinten
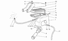
Vorderradbremspumpe
Hinterradbremspumpe
Hinterrad
Teilerradsatz
Rücklicht
Bremszange
Schutzbleche vo.-hi.
Scheinwerfer-Hupe
"Sonora"- Zweitonsirenen
Fahrgestell/Karosserie
Einspeisung
Elektrische Anlage "Digiplex"
Aufhängung Vorn-Hinten
Hinterleuchten
Einspeisung
Auslassgruppe
Strobo Leuchte "sonora"
Elektrische anlage I
Schloßen




The information below is required for social login
Anmelden
Neuen Account erstellen