Ersatzteilkatalog
- Ersatzteilkatalog
- MOTO GUZZI
- CALIFORNIA
- California Stone/Touring PI Cat 1100 2003-2004 (APAC, EMEA, NAFTA)
MOTOR
RAHMEN
Vorderrad II
Zündung Digiplex
Luftfilter
Vorderrad
Elektrische anlage I
Fussrasten - Ständer
Bremsanlage - Hinten
Vorderradbremspumpe
Hinterradbremspumpe
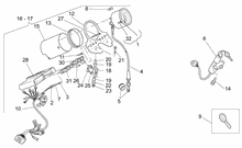
Instrumententafel
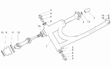
Hinterrad
Teilerradsatz
Rücklicht
Bremszange
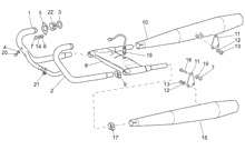
Auslassgruppe
"Sonora"- Zweitonsirenen
Fahrgestell/Karosserie
Einspeisung
Bremsanlage ABS
Elektrische Anlage "Digiplex"
Aufhängung Vorn-Hinten
Hinterleuchten
Elektrische Anlageeinspritzung
Auslassgruppe
Einspeisung
Auslassgruppe
Strobo Leuchte "sonora"
Elektrische anlage I
Schloßen




The information below is required for social login
Anmelden
Neuen Account erstellen