Ersatzteilkatalog

  1. Ersatzteilkatalog
  2. MOTO GUZZI
  3. ELDORADO
  4. Eldorado 1400 E4 ABS 2017-2020 (EMEA)

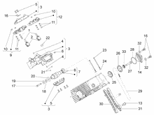
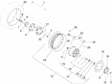
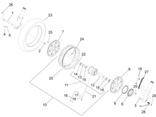
Bremsanlage - Bowdenzüge

10_Bremsanlage