Ersatzteilkatalog
- Ersatzteilkatalog
- MOTO GUZZI
- GRISO
- Griso 1200 8V E3 2007-2013 - Griso S.E. E3 2009-2013 (APAC, EMEA, NAFTA)
MOTOR
Kupplung I
Kupplung II
Getriebegehäuse
Schaltgetriebe
Getriebegehäuse
Schaltgabel
Ölpumpe
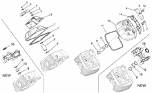
Kupplung
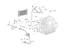
Schmierung
Schaltgabel
Zylinderkopf und Ventile
Schaltgabel
Klappenkörper
Ölfilter
Links Zylindersteuer I
Festrad
Recht Zylindersteuer (bowl)
Hauptwelle
Drehstromgenerator - Regler
Startermotor
Steuer
Kurbelwelle - Zylinder
RAHMEN
Vorderrad II
Zündung Digiplex
Luftfilter
Vorderrad
Batterie - Zündung Motoplat
Elektrische Anlage
Suitcase kit
Elektrische anlage I
Schwinge
Fussrasten - Ständer
Lenker
Verkleidung
Bremsanlage - Hinten
Vorderradbremspumpe
Vorderradgabel
Hinterradbremspumpe
Instrumententafel
Hinterrad
Teilerradsatz
Aufbau
Rücklicht
Bremszange
Auslassgruppe
Schutzbleche vo.-hi.
Stroboskopleuchte VAMA
Scheinwerfer-Hupe
"Sonora"- Zweitonsirenen
Fahrgestell/Karosserie
Einspeisung
Lenkstange - Schaltungen
Bremsanlage ABS
Elektrische Anlage "Digiplex"
Aufhängung Vorn-Hinten
Hinterleuchten
Einspeisung
Auslassgruppe
Strobo Leuchte "sonora"
Elektrische anlage I
Schloßen
Benzindampfrückf.-Anlage
SE Hinterrad
SE Vorderrad




The information below is required for social login
Anmelden
Neuen Account erstellen