Ersatzteilkatalog
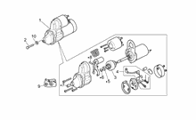
MOTOR
RAHMEN
Vorderrad II
Zündung Digiplex
Luftfilter
Vorderrad
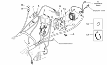
Elektrische anlage I
Bremsanlage - Hinten
Vorderradbremspumpe
Vorderradgabel
Hinterradbremspumpe
Instrumententafel
Hinterrad
Rücklicht
Auslassgruppe
"Sonora"- Zweitonsirenen
Fahrgestell/Karosserie
Einspeisung
Lenkstange - Schaltungen
Bremsanlage ABS
Elektrische Anlage "Digiplex"
Aufhängung Vorn-Hinten
Hinterleuchten
Elektrische Anlageeinspritzung
Auslassgruppe
Einspeisung
Auslassgruppe
Strobo Leuchte "sonora"
Elektrische anlage I
Schloßen
Interne Schaltsegmente
Elektrische Anlageeinspritzung




The information below is required for social login
Anmelden
Neuen Account erstellen