Ersatzteilkatalog
MOTOR
Getriebegehäuse
Ölpumpe
Kupplung
Kupplungwelle
Schmierung
Schaltgabel
Ölfilter
Festrad
Hauptwelle
Steuer
Kurbelwelle - Zylinder
Links Zylindersteuer (roller)
Recht Zylindersteuer (roller)
Stromgenerator
Links Zylindersteuer I
Links Zylindersteuer II
Recht Zylindersteuer I
Recht Zylindersteuer II
Schmierung
Klappenkörper
Startermotor
Zylinderkopfabdeckung
RAHMEN
Vorderrad II
Zündung Digiplex
Luftfilter
Vorderrad
Batterie - Zündung Motoplat
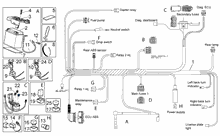
Elektrische Anlage
Suitcase kit
Schwinge
Fussrasten - Ständer
Lenker
Verkleidung
Bremsanlage - Hinten
Vorderradbremspumpe
Vorderradgabel
Hinterradbremspumpe
Instrumententafel
Teilerradsatz
Aufbau
Rücklicht
Bremszange
Auslassgruppe
Schutzbleche vo.-hi.
Stroboskopleuchte VAMA
Scheinwerfer-Hupe
"Sonora"- Zweitonsirenen
Fahrgestell/Karosserie
Lenkstange - Schaltungen
Bremsanlage ABS
Elektrische Anlage "Digiplex"
Aufhängung Vorn-Hinten
Hinterleuchten
Elektrische Anlageeinspritzung
Auslassgruppe
Auslassgruppe
Auslassgruppe
Strobo Leuchte "sonora"
Elektrische anlage I
Schloßen
Rücklicht
Schloßen
Benzindampfrückf.-Anlage
Interne Schaltsegmente
Benzindampfrückf.-Anlage
Elektrische Anlage
Elektrische anlage I
Ölkühler
Elektrische Anlageeinspritzung
Police ausiliary Electrical system
Police special equipment
Side cases




The information below is required for social login
Anmelden
Neuen Account erstellen