Ersatzteilkatalog
- Ersatzteilkatalog
- MOTO GUZZI
- STELVIO 1200
- STELVIO 1200 8V E3 ABS STD-NTX 2011-2017 (APAC, EMEA, NAFTA)
MOTOR
Getriebegehäuse
Ölpumpe
Kupplung
Kupplungwelle
Schmierung
Schaltgabel
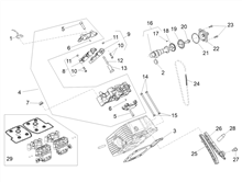
Zylinderkopf und Ventile
Schaltgabel
Klappenkörper
Ölfilter
Links Zylindersteuer I
Festrad
Recht Zylindersteuer (bowl)
Hauptwelle
Startermotor
Steuer
Kurbelwelle - Zylinder
Links Zylindersteuer (roller)
Recht Zylindersteuer (roller)
Stromgenerator
Klappenkörper
Startermotor
RAHMEN
Vorderrad II
Zündung Digiplex
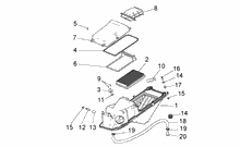
Luftfilter
Vorderrad
Batterie - Zündung Motoplat
Elektrische Anlage
Suitcase kit
Elektrische anlage I
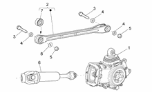
Schwinge
Fussrasten - Ständer
Lenker
Verkleidung
Bremsanlage - Hinten
Vorderradbremspumpe
Vorderradgabel
Hinterradbremspumpe
Instrumententafel
Hinterrad
Teilerradsatz
Aufbau
Rücklicht
Bremszange
Auslassgruppe
Schutzbleche vo.-hi.
Stroboskopleuchte VAMA
Scheinwerfer-Hupe
"Sonora"- Zweitonsirenen
Fahrgestell/Karosserie
Einspeisung
Lenkstange - Schaltungen
Bremsanlage ABS
Elektrische Anlage "Digiplex"
Aufhängung Vorn-Hinten
Hinterleuchten
Elektrische Anlageeinspritzung
Auslassgruppe
Auslassgruppe
Einspeisung
Auslassgruppe
Elektrische anlage I
Rücklicht
Interne Schaltsegmente
Elektrische Anlage
Ölkühler
Elektrische Anlageeinspritzung
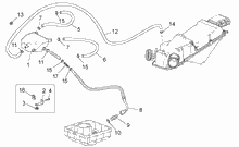
Benzindampfrückf.-Anlage
Special parts




The information below is required for social login
Anmelden
Neuen Account erstellen