Ersatzteilkatalog

  1. Ersatzteilkatalog
  2. MOTO GUZZI
  3. V 100 E5
  4. V100 Mandello Aviazione Navale E5 ABS 2023-2024 (NAFTA)

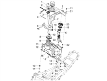
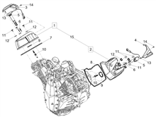
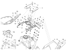
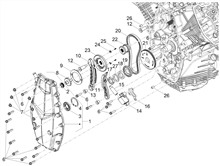
Bremsanlage - Bowdenzüge

10_Bremsanlage