Ersatzteilkatalog
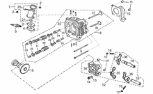
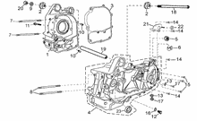
MOTOR
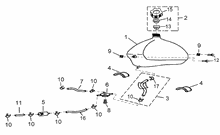
RAHMEN
Fahrgestell/Karosserie
Fussrasten-Pleuel
Aufbau
Elektrische Anlage
H.Achse
Scheinwerfer-Rücklicht
Kraftstofftank-'Öltank
Lenkung
H.Achse
Elektrische Anlage
Hinterrad
Vorderradbremse
Sitz
Lenker
Deko Serie - Betriebsanleitung
Lichter
Kette
Hinterradbremse
Vorderrad
Aufhängung Vorn-Hinten
Deko Serie - Betriebsanleitung




The information below is required for social login
Anmelden
Neuen Account erstellen