Ersatzteilkatalog
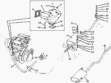
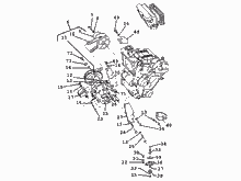
Motor
Antriebsriemenscheibe
Auspufftopf
Einhait Kopf - Ventil
Einheit Zylinder-Kolben-Kolbenbolzen
Getriebene riemenscheeiben
Kurbelwelle
Kurbelwelledeckel - Kühlung kurbelgehäuse
Lichtmaschine
Luftfilter
Schwinghebelhalterung
Starter - Elektrischer starter
Ölpumpe
Wasserpumpe
Schaltgetriebe
Motor komplett
Durchflussregler
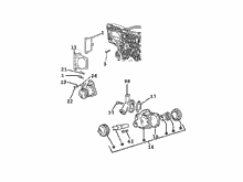
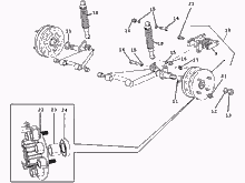
Vorderachsantrieb
Komplettantrieb
Bremsanlage - Bowdenzüge
Lenker/Lenkung
Elektrische Anlage
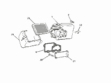
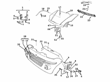
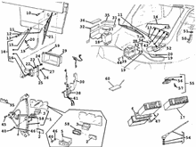
Fahrgestell - Plastformteil - Karosserien
Fahrgestell/Karosserie
Hinterabdeckung - Kotflügellappen
Kraftstofftank
Plaketten - Verzierungen
Rückspiegel/n
Schloßen
Sitzbank/Sitzbänke
Benrin-einspritzanlage
Kühlunganlage
Windschutzscheibe - Scheiben
Verkleidungen vorne - Spritzschutz
Sattel - Werkzeugtasche
Innenverkleidungen
Heizungsanlage - Klimaanlage




The information below is required for social login
Anmelden
Neuen Account erstellen